PS-3670連接端子型接近開關(guān)的接觸形式為常開型。作為磁性開關(guān)的一種,PS-3670磁性接近開關(guān)可用于ATM、ADM的傳感器 。
| 項(xiàng)目 | 說明 |
|---|---|
| 接觸形式 | 常開 |
| 接觸點(diǎn)額定功率 | 10W max. |
| 開關(guān)電壓 | 100VDC max. |
| 開關(guān)電流 | 0.5A max. |
| 斷開電壓(開路) | 250VDC min. |
| 觸點(diǎn)阻抗(最初) | 0.2 ohms max. |
| 電力壽命(阻性負(fù)載) | 107 (6VDC, 10mA) |
| 工作溫度 | -10 ~ +60°C |
![]() |
|
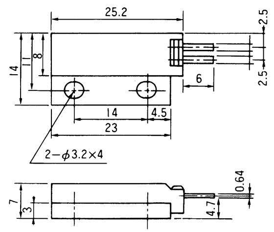
外殼材料: 耐熱ABS塑膠 連接器:JFTB2P-SHF-1 * 尺寸為 mm (1 mm = 0.0394寸) |
![]() |
![]() |
![]() |
|
Magnet TG-0016 柵格尺寸 : 1mm |
Magnet TG-0043 柵格尺寸 : 1mm |
|
![]() |
![]() |
![]() |
|
Magnet TG-0016 柵格尺寸 : 1mm |
Magnet TG-0043 柵格尺寸 : 1mm |