PS-3251通用高溫使用型接近開關(guān)的接觸形式為常閉型。作為磁性開關(guān)的一種,PS-3251磁性接近開關(guān)適用于OA設備、家電的感測 。
| 項目 | 說明 |
|---|---|
| 接觸形式 | 常閉 |
| 接觸點額定功率 | 10W max. |
| 開關(guān)電壓 | 100VDC max. |
| 開關(guān)電流 | 0.5A max. |
| 斷開電壓(開路) | 250VDC min. |
| 觸點阻抗(最初) | 0.3 ohms max. |
| 電力壽命(阻性負載) | 107 (6VDC, 10mA) |
| 工作溫度 | -10 ~ +60°C |
![]() |
|
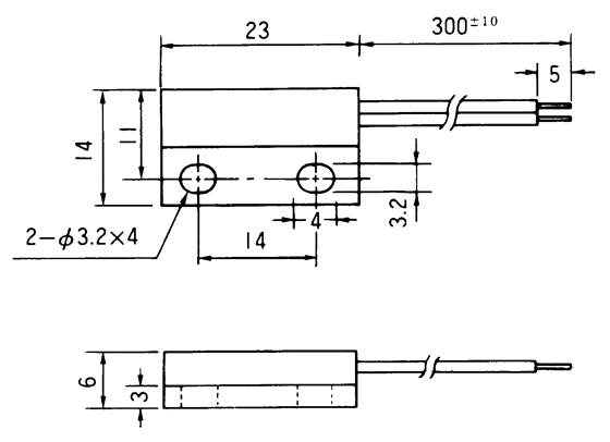
(有左側(cè)引出線型供應) 外殼材料: 耐熱ABS塑膠 接線:UL-1007,AWG#26 * 尺寸為 mm (1 mm = 0.0394寸) |
![]() |
![]() |
![]() |
|
Magnet TG-0016 柵格尺寸 : 1mm |
Magnet TG-0043 柵格尺寸 : 1mm |
|
![]() |
![]() |
![]() |
|
Magnet TG-0016 柵格尺寸 : 1mm |
Magnet TG-0043 柵格尺寸 : 1mm |