PS-7711通用型接近開關(guān)接觸形式為常閉型。作為磁性開關(guān)的一種,PS-7711磁性接近開關(guān)可用于復(fù)印機、打印機、傳真機上的傳感器。
| 項目 | 說明 |
|---|---|
| 接觸形式 | 常閉 |
| 接觸點額定功率 | 10W max. |
| 開關(guān)電壓 | 100VDC max. |
| 開關(guān)電流 | 0.25A max. |
| 斷開電壓(開路) | 200VDC min. |
| 觸點阻抗(最初) | 0.4 ohms max. |
| 電力壽命(阻性負(fù)載) | 5x106 (24VDC, 5mA) |
| 工作溫度 | 0 ~ +60°C |
![]() |
|
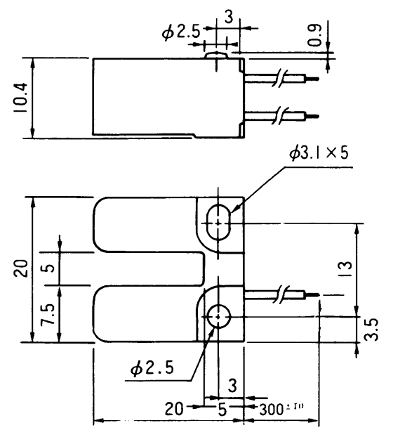
外殼材料: 耐熱ABS塑膠 接線: UL-1007 AWG#26 * 尺寸為 mm (1 mm = 0.0394寸) |
![]() |
![]() |
| PS-7711 <-->SPCS 屏蔽板 (11x9x1mm) | PS-7711 <-->SPCS 屏蔽板 (22x18x1mm) |