光電傳感器OJ-1401屬于斷繼器型,,由光敏IC輸出,螺絲安裝。光學傳感器OJ-1401可用于傳自動售貨機、娛樂設備、辦公自動化設備等。
| 感應槽寬度 | 3mm |
|---|---|
| 縫隙寬度 | 0.5mm |
| 輸出類型 | 光敏IC |
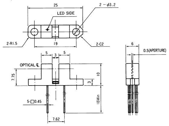
| 尺寸(L x W x H) | 25 x 6 x 10mm |
![]() |
針腳圖(仰視) |
原理電路 |
![]() |
![]() |
| IF-Ta | IF-VF | Relative IFLH, IFLH-Ta |
![]() |
![]() |
![]() |
| VOL-IOL | VOL-Ta | tpHL, tpLH-IF |
![]() |
![]() |
![]() |
| 項目 | 符號 | 值 | |
|---|---|---|---|
| 輸入 | 正向電流 | IF | 50mA |
| 反向電流 | VR | 5V | |
| 輸出 | 電源電壓 | VCC | 16V |
| 輸出電流 | IO | 50mA | |
| 集電極功率消耗 | PC | 250mW | |
| 工作溫度 | Topr | -25° ~ +85°C | |
| 貯存溫度 | Tstg | -30° ~ +90°C | |
| 項目 | 符號 | 條件 | 最小 | 典型 | 最大 | 單位 | |
|---|---|---|---|---|---|---|---|
| 輸入 | 正向電壓 | VF | IF=10mA | 1.0 | 1.15 | 1.3 | V |
| 反向電流 | IR | VR=5V | - | - | 10 | µA | |
| 輸出 | 工作電源電壓范圍 | VCC | 4.5 | - | 16 | V | |
| 低水平輸出電壓 | VOL | IOL=16mA VCC=5V IF=0 | - | 0.15 | 0.4 | V | |
| 高水平輸出電壓 | VOH | IF=21mA VCC=5V | 4.0 | - | - | V | |
| 低水品電源電流 | ICCL | IF=0 VCC=5V | - | 6 | 15 | mA | |
| 高水品電源電流 | ICCH | IF=21mA VCC=5V | - | 4 | 10 | mA | |
| L-H閥值輸入電流 | IFLH | VCC=5V | - | 6 | 15 | mA | |
| 滯后 | IFHL/IFLH | VCC=5V | - | 0.9 | - | ||
| 開關速度 | L-H傳播時間 | tPLH | VCC=5V IF=0<-->21mA RL=280 W | - | 3 | - | µS |
| H-L傳播時間 | tPHL | - | 5 | - | |||
| 上漲時間 | tr | - | 0.1 | - | |||
| 回落時間 | tf | - | 0.05 | - | |||